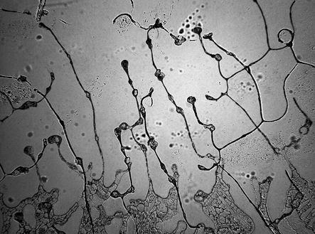
3/5
Cercetătorii britanici au analizat LACRIMILE la microscop. Ce au descoperit e incredibil
| Imaginea 3 din 5 | Galerie Foto
Corul Madrigal al României scrie istorie în Pakistan: a lansat primul aranjament coral al imnului naţional
Românii au făcut plinul de glume, după scumpirea carburanților. Cele mai tari bancuri
Moment amuzant cu IPS Teodosie şi primarul Constanţei, la inaugurarea terminalului de la Mihail Kogălniceanu
Oraș medieval pierdut, redescoperit într-o pădure: monede, unelte și arme de acum 1.000 de ani
Un chiriaş a fost somat de proprietar să scoată toate aparatele din priză. Şi internetul pare să fie de acord
O fostă regină a frumuseții, acuzată de crimă după ce și-a pus copilașul într-o pungă cât încă era în viață